| |
MFV/FV型过滤筛
| 形式 |
电源 |
リバーシブルモータ |
ギヤヘッド |
開閉時間(秒) |
重量(kg) |
ケーブル |
| 出力(W) |
电流(A) |
50HZ |
60Hz |
| MFV- 4A1 |
100V 50/60Hz |
25 |
0.6 |
減速比 1:30 |
2.4 |
2.0 |
3.2 |
VCT3芯 0.75mm2X1m |
| MFV- 6A1 |
25 |
0.6 |
3.8 |
3.2 |
7.6 |
| MFV- 8A1 |
25 |
0.8 |
4.8 |
4.0 |
8.6 |
| MFV-10A1 |
40 |
0.9 |
6.0 |
5.0 |
14 |
| MFV-12A1 |
40 |
0.9 |
7.2 |
6.0 |
18 |
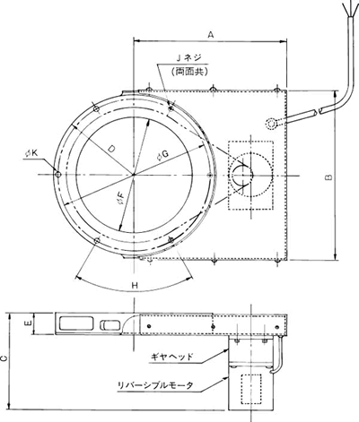
| 形式 |
A |
B |
C |
D |
E |
F |
G |
H |
I |
J |
K |
L |
重量(kg) |
| A形 |
S形 |
| FV-4A(S) |
100 |
155 |
140 |
162 |
32 |
60 |
M6-3個 |
φ7-3個 |
60° |
11 |
10 |
11 |
1.2 |
2.2 |
| FV-6A(S) |
150 |
230 |
214 |
214.5 |
35 |
90 |
M8-3個 |
φ9-3個 |
60° |
11 |
12 |
12 |
2.5 |
4.4 |
| FV-8A(S) |
204 |
285 |
267 |
241 |
35 |
115 |
M8-3個 |
φ9-3個 |
60° |
11 |
12 |
12 |
3.5 |
5.5 |
| FV-10A(S) |
254 |
345 |
325 |
272 |
42 |
146 |
M10-4個 |
φ11-4個 |
45° |
15 |
12 |
15 |
5.0 |
9 |
| FV-12A(S) |
305 |
410 |
390 |
304.5 |
45 |
172 |
M10-4個 |
φ11-4個 |
45° |
16.5 |
12 |
16.5 |
8.0 |
13 |
关闭窗口 |